自动化控制系统 视觉素材与模板资源全指南
自动化控制 现代工业的核心驱动力
为节能而生 易能电气EN605注塑压铸重载型变频器
杭州徳越电子科技 自动化成套控制系统与网络工程一体化解决方案
工业自动化控制中的核心参数 PV、SV与SP解析
上海帆扬机电自动化成套控制系统及网络工程产品全面解析
全自动喷涂设备 从制造到网络工程的视觉资料库
智能制造2025 优倍电气如何以网络工程驱动精智工厂建设
细节完爆特斯拉超级工厂 极氪智慧工厂的自动化控制探秘
自动化水处理控制系统选购指南 骏祥工业供应的合理价位方案
自动化控制中DeviceNet转PROFINET PLC分布式控制架构的网关连接
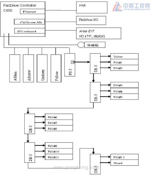
ELAU全伺服自动化控制系统解决方案在网络工程中的应用
上海信元宠食工厂实力揭幕 网络工程背后的秘密
智能制造装备 为企业提供机械产品整体自动化解决方案
昊方控制RT-MES助推恒通机械,打造无人工厂自动化控制新典范
伟创力订单被富士康分走,转投日本寻求支持?
自动化工厂中的智能物流系统
水闸智能化监控与自动化控制系统在水利工程中的应用
钢厂布袋除尘的自动化控制系统探讨
基于RS485总线的智能照明控制系统在工厂自动化中的应用
如若转载,请注明出处:http://www.sinorech.com/product/list-2.html